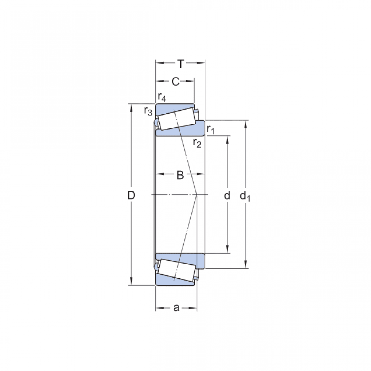
Ložisko 32209 JR - KOYO

Rozmer: 45x85x24,75 Značka: KOYO-TORRINGTON
Externý sklad na dopyt
+
-
ks