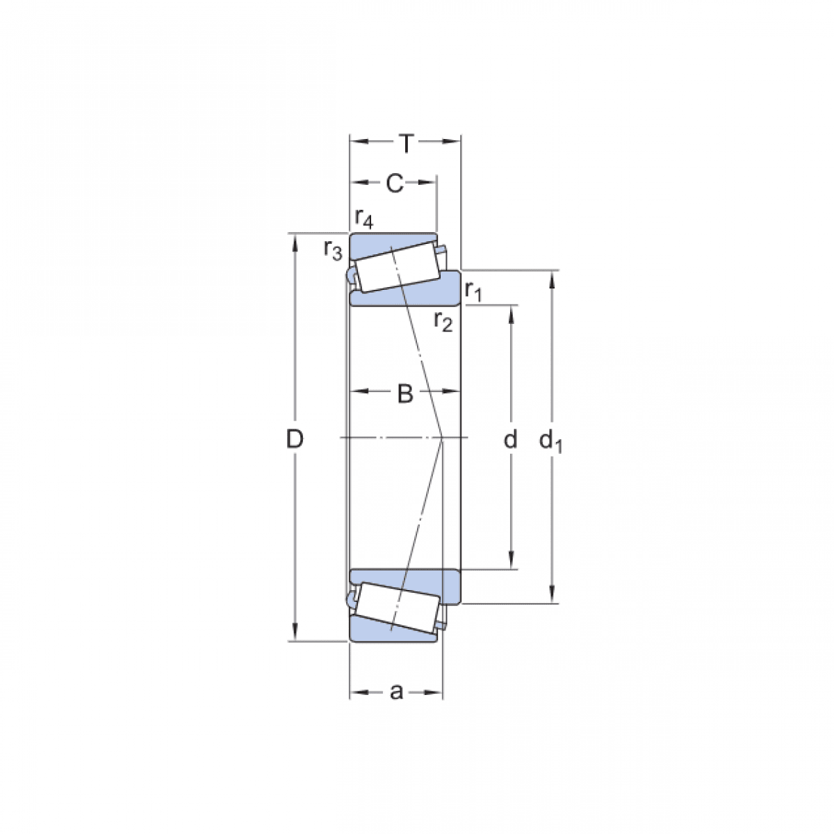
Ložisko 32209 - KBS

Rozmer: 45x85x24,75 Značka: KBS, KBC
Externý sklad na dopyt
+
-
ks