Ložisko 32209 - MTM

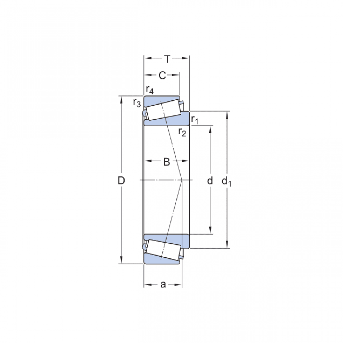
Rozmer: 45x85x24,75 Značka: MTM
Skladom 13 ks na dopyt
+
-
ks