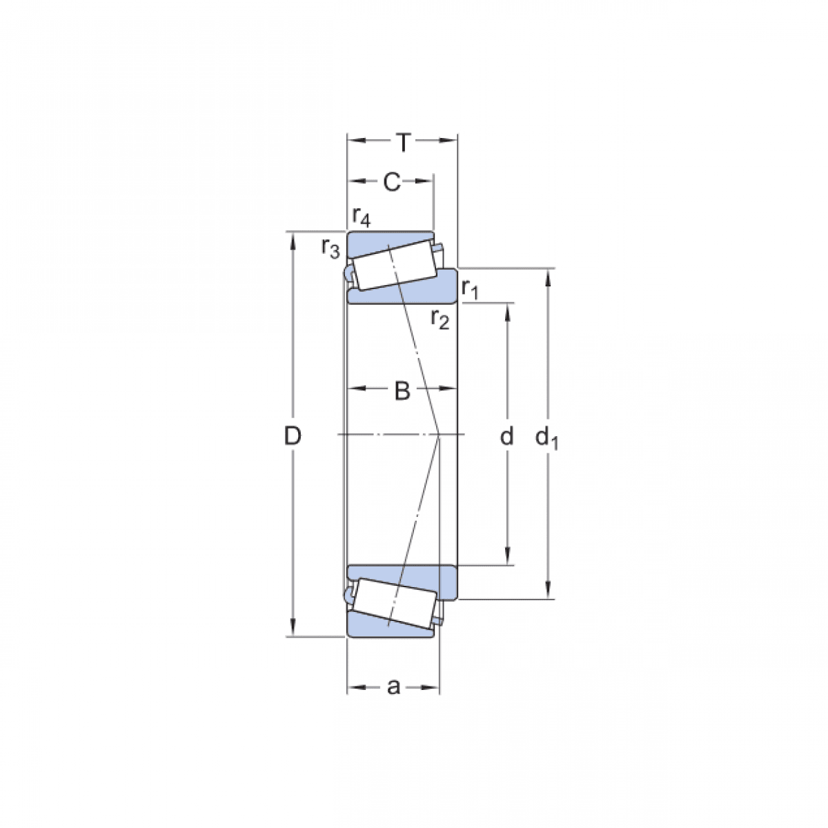
Ložisko 32210 A - ZKL

Rozmer: 50x90x24,75 Značka: ZKL
Externý sklad na dopyt
+
-
ks