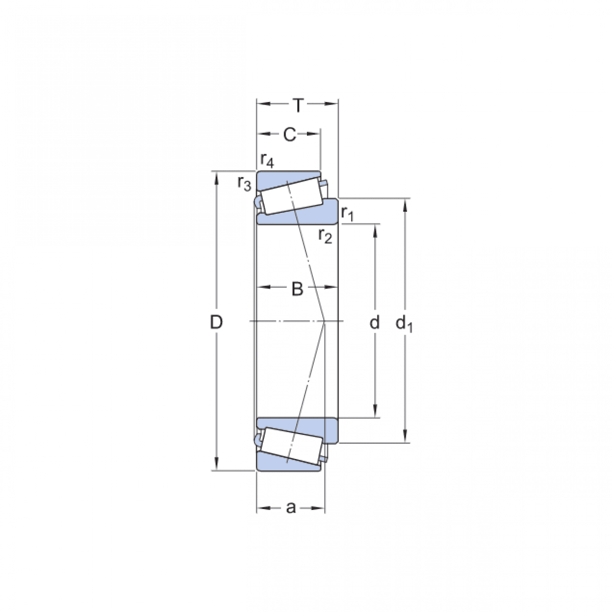
Ložisko 32210 - ISB

Rozmer: 50x90x24,75 Značka: ISB, JNS
Externý sklad na dopyt
+
-
ks