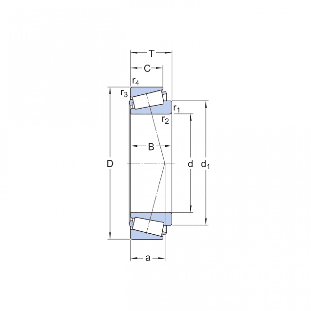
Ložisko 32210 JR - KOYO

Rozmer: 50x90x24,75 Značka: KOYO-TORRINGTON
Externý sklad na dopyt
+
-
ks