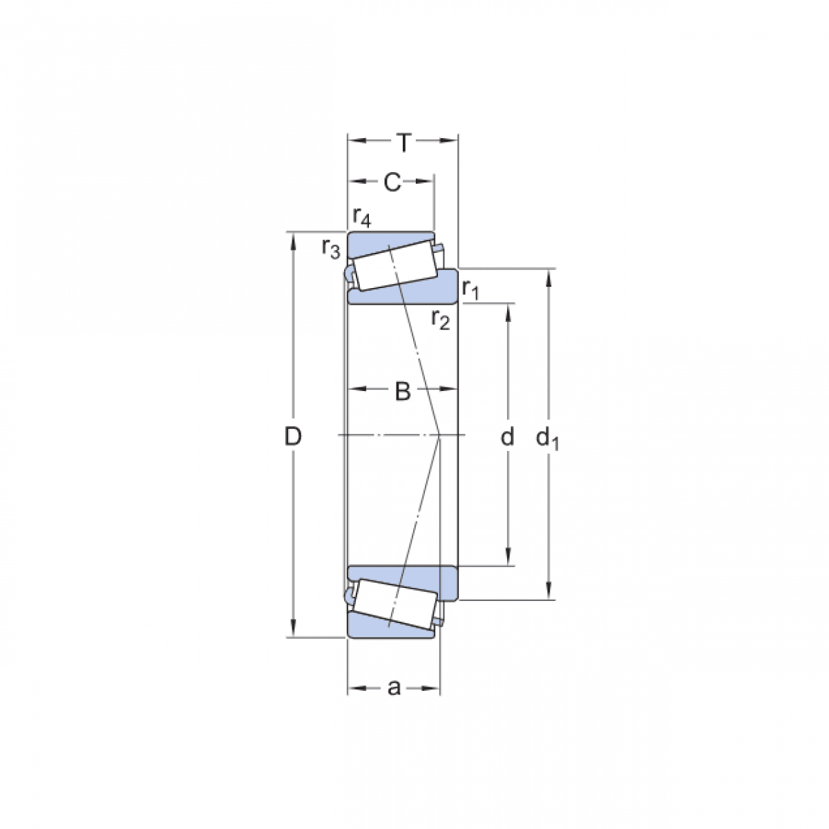
Ložisko 32210 - KBS

Rozmer: 50x90x24,75 Značka: KBS, KBC
Externý sklad na dopyt
+
-
ks