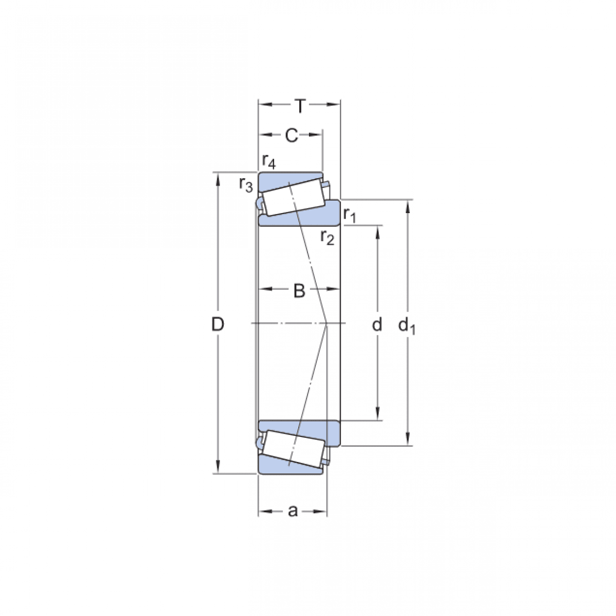
Ložisko 32210 - MTM

Rozmer: 50x90x24,75 Značka: MTM
Skladom 7 ks na dopyt
+
-
ks