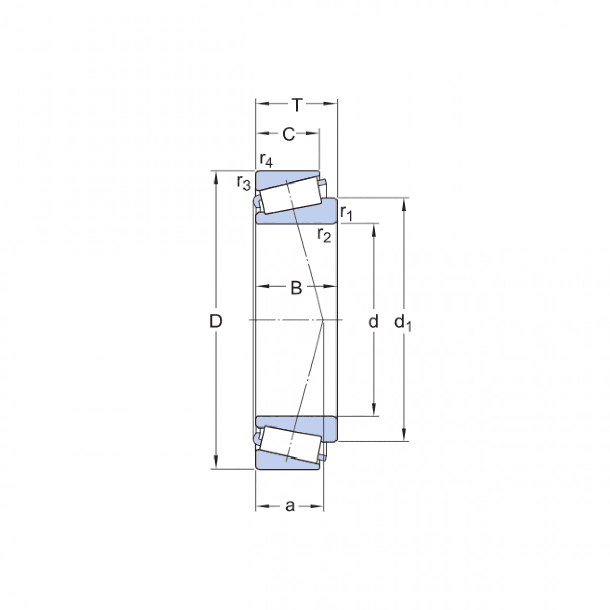
Ložisko 32210 P6 - BBC

Rozmer: 50x90x24,75 Značka: BBC
Externý sklad na dopyt
+
-
ks