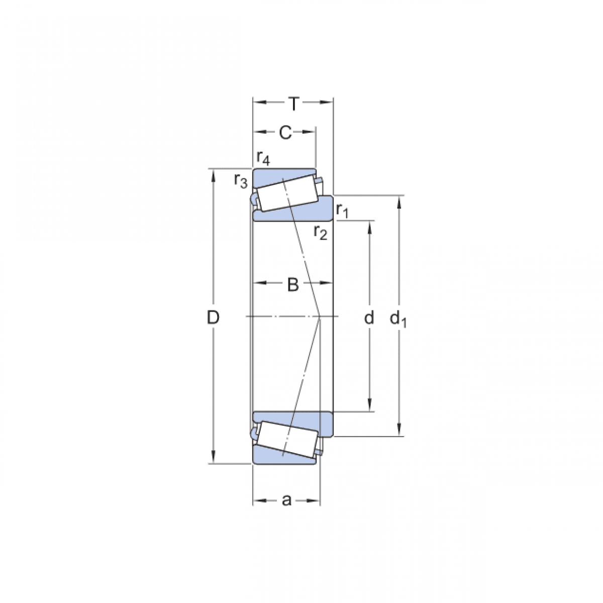
Ložisko 32210 - ZLK

Rozmer: 50x90x24,75 Značka: ZLK
Externý sklad na dopyt
+
-
ks