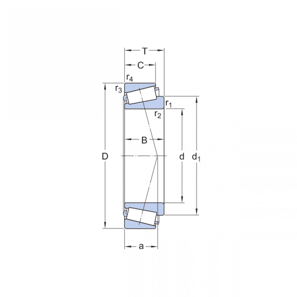
Ložisko 32211 - ISB

Rozmer: 55x100x26,75 Značka: ISB, JNS
Externý sklad na dopyt
+
-
ks