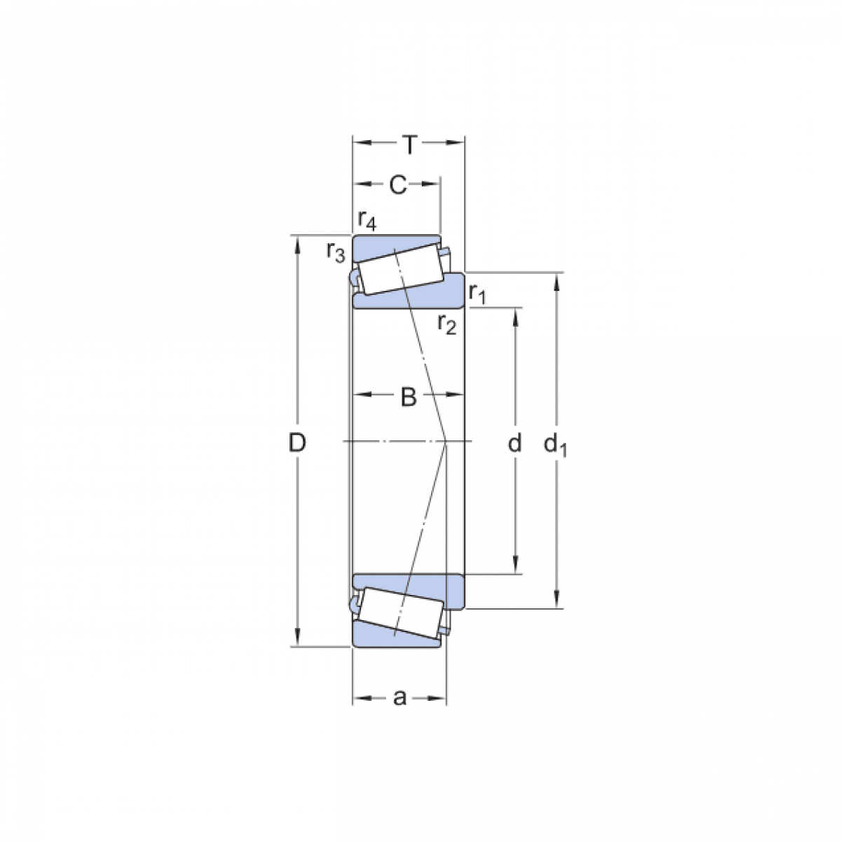
Ložisko 32211 - KBS

Rozmer: 55x100x26,75 Značka: KBS, KBC
Externý sklad na dopyt
+
-
ks