Ložisko 32211 - ZVL

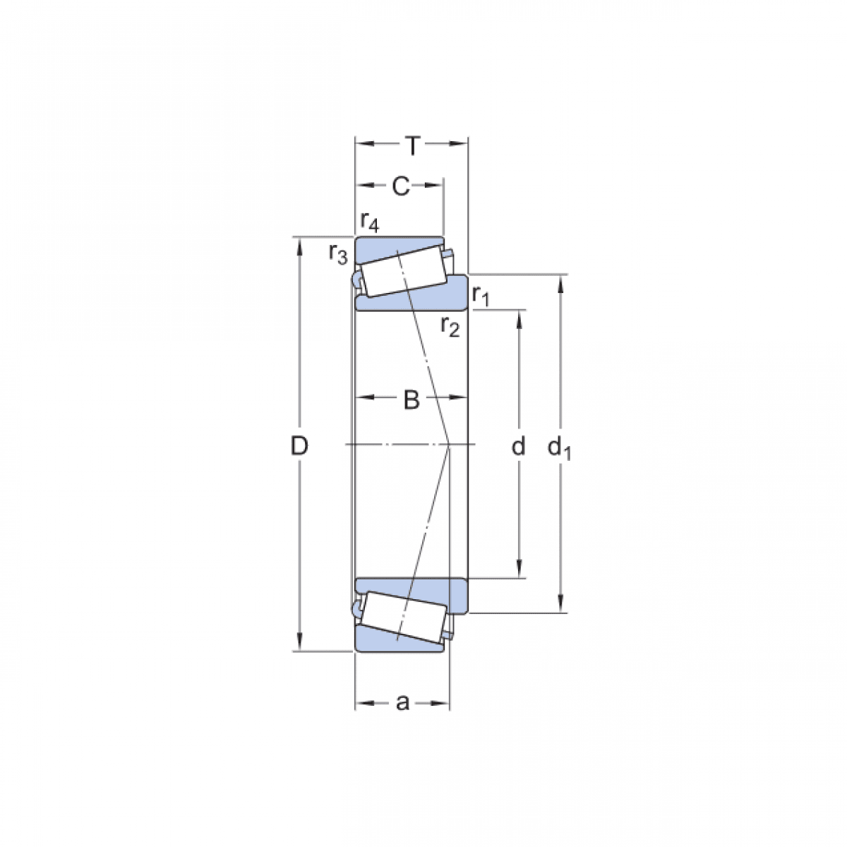
Rozmer: 55x100x26,75 Značka: ZVL
Externý sklad na dopyt
+
-
ks