Ložisko 32212 A - ZKL NEW

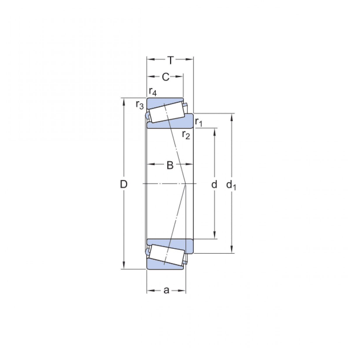
Rozmer: 60x110x29,75 Značka: ZKL
Externý sklad na dopyt
+
-
ks