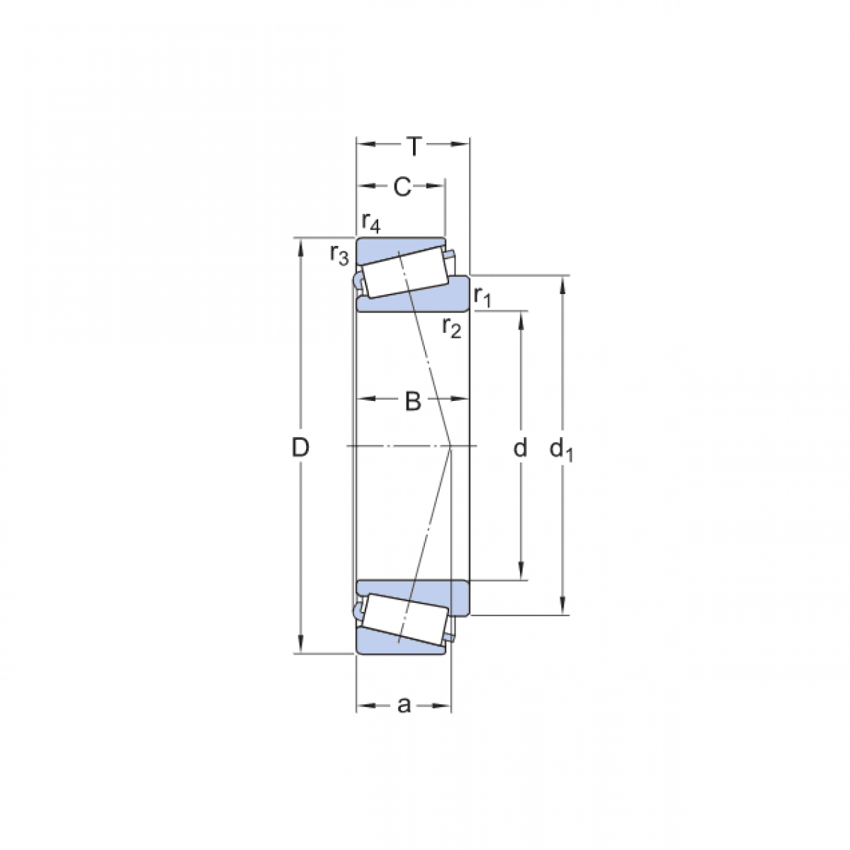
Ložisko 32212 AV - NILOS

Rozmer: 60x110x29,75 Značka: KOYO-TORRINGTON
Externý sklad na dopyt
+
-
ks