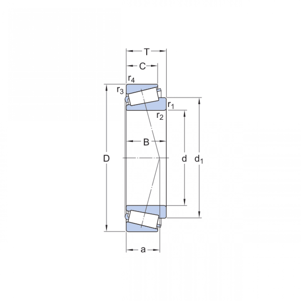
Ložisko 32212 - CX

Rozmer: 60x110x29,75 Značka: CX
Externý sklad na dopyt
+
-
ks