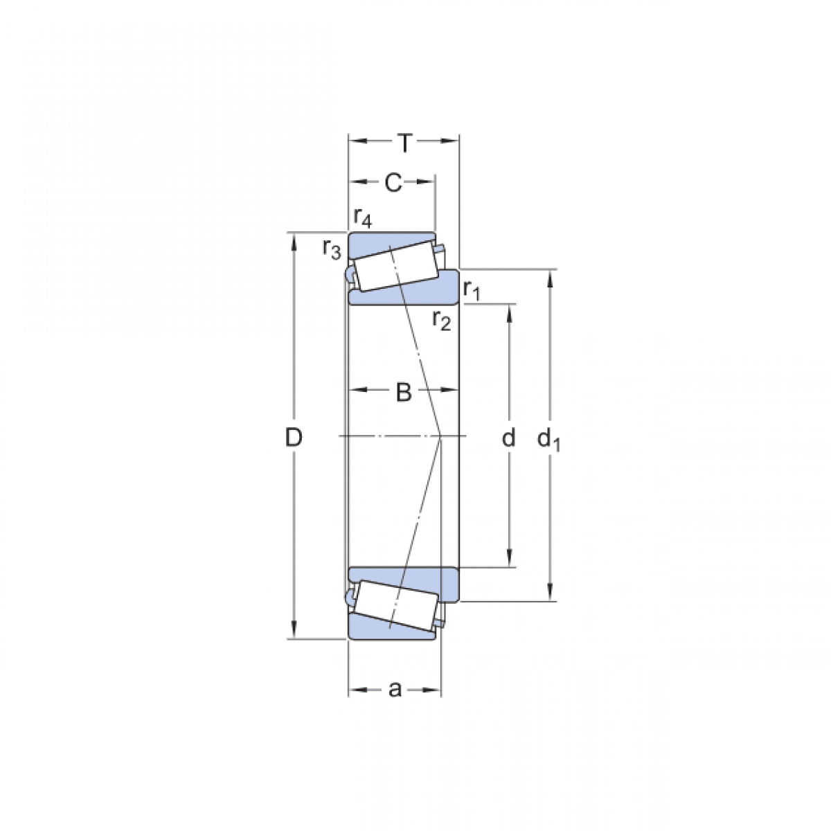
Ložisko 32212 P6 - BBC

Rozmer: 60x110x29,75 Značka: BBC
Externý sklad na dopyt
+
-
ks