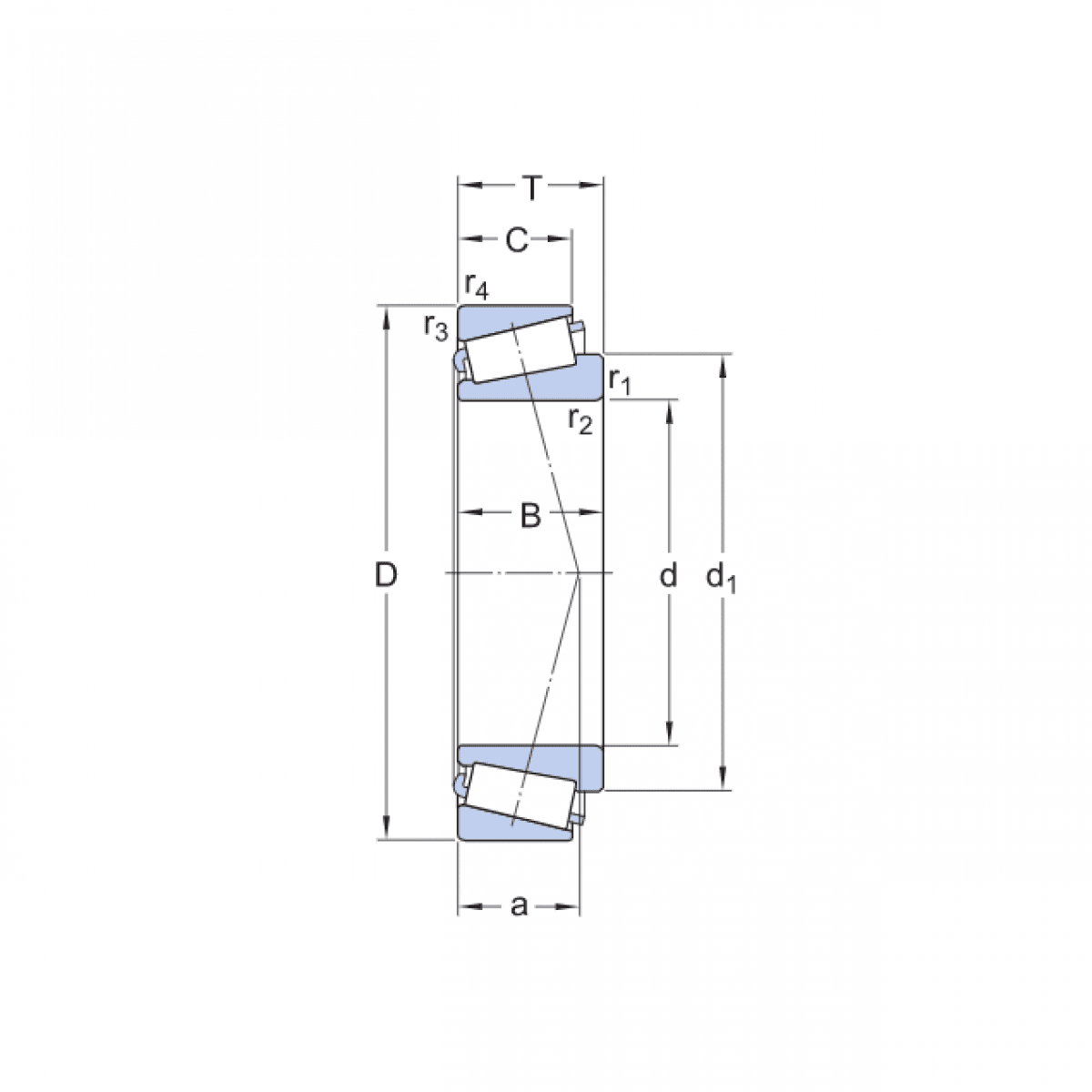
Ložisko 32212 - ZKL

Rozmer: 60x110x29,75 Značka: ZKL
Externý sklad na dopyt
+
-
ks