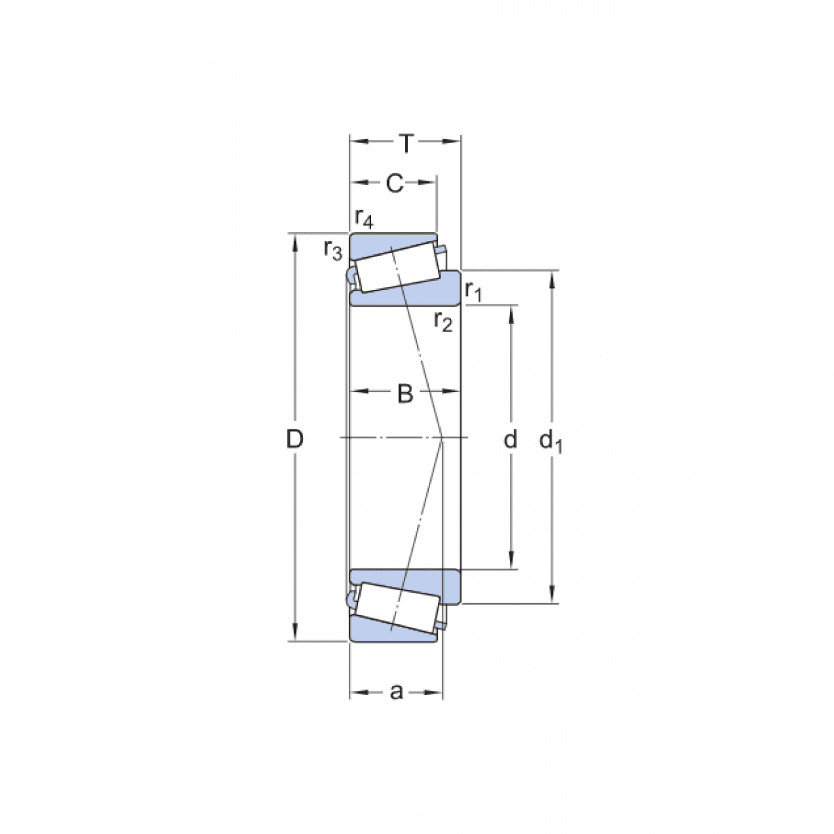
Ložisko 32213 - ISB

Rozmer: 65x120x32,75 Značka: ISB, JNS
Externý sklad na dopyt
+
-
ks