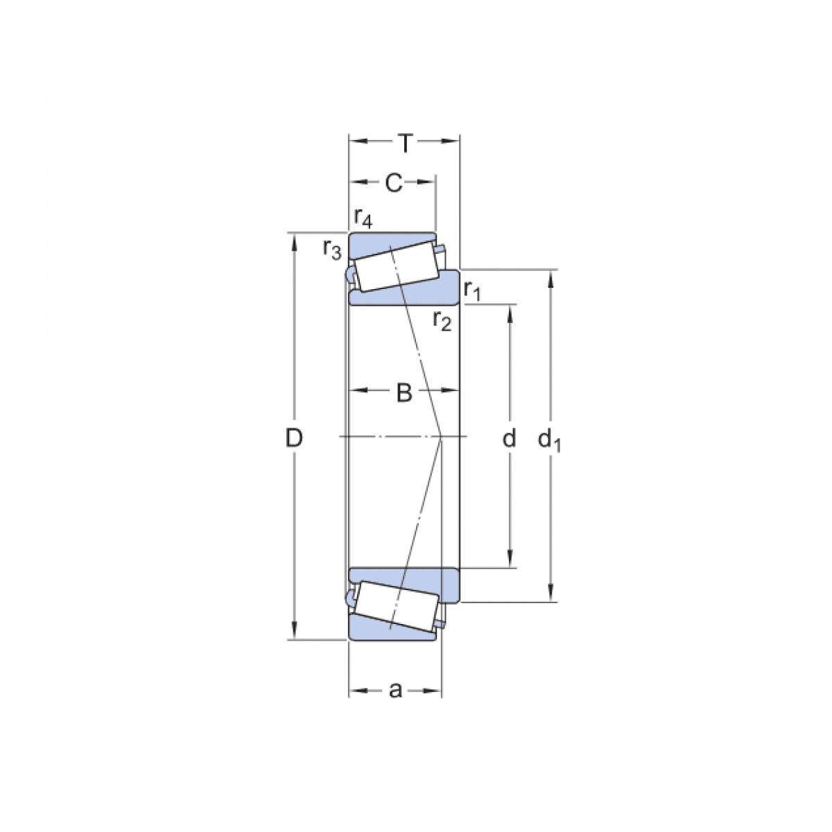
Ložisko 32213 JR- KOYO

Rozmer: 65x120x32,75 Značka: KOYO-TORRINGTON
Externý sklad na dopyt
+
-
ks