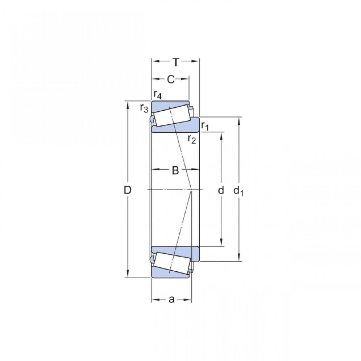
Ložisko 32213 - KBS

Rozmer: 65x120x32,75 Značka: KBS, KBC
Externý sklad na dopyt
+
-
ks