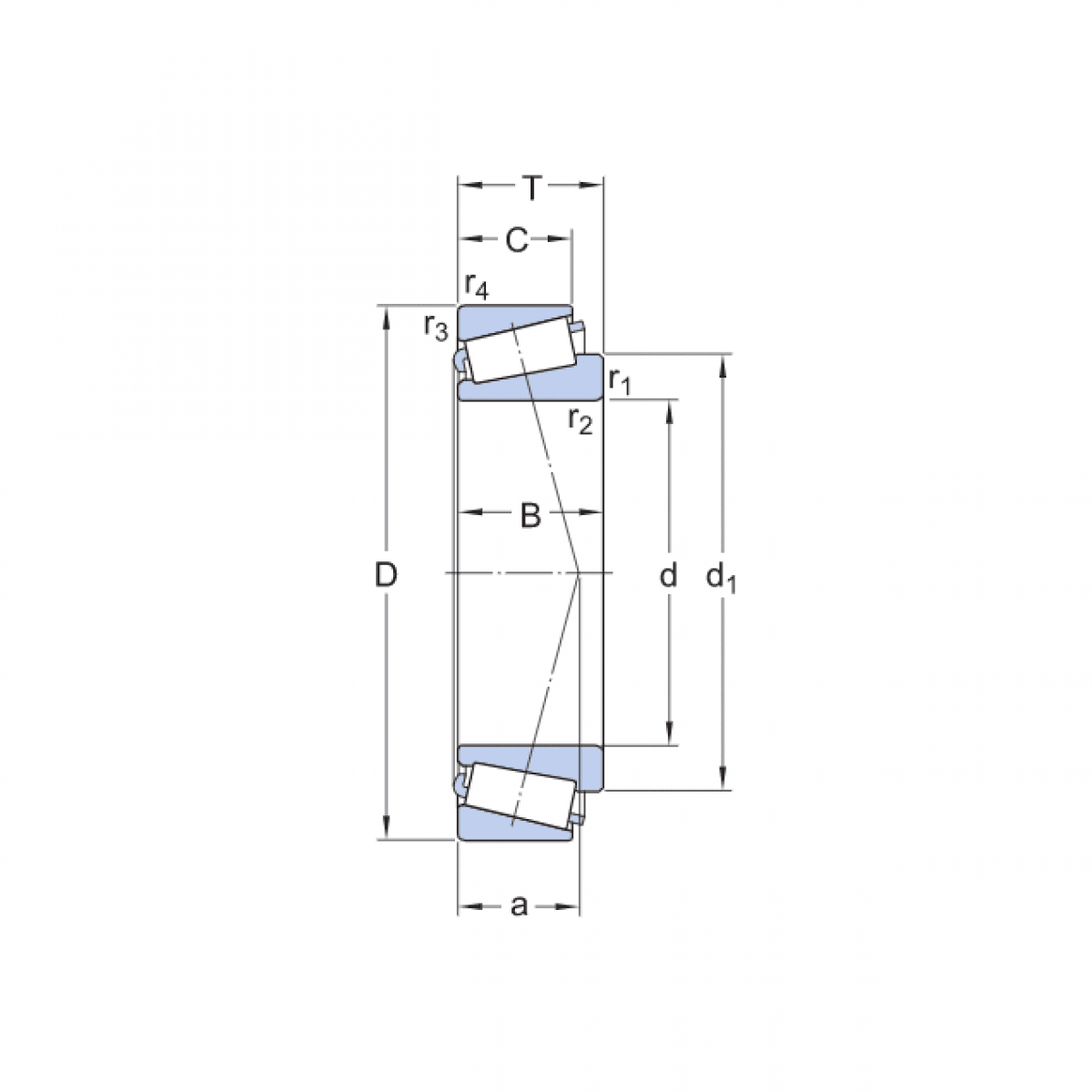
Ložisko 32214 - CX

Rozmer: 70x125x33,25 Značka: CX
Externý sklad na dopyt
+
-
ks