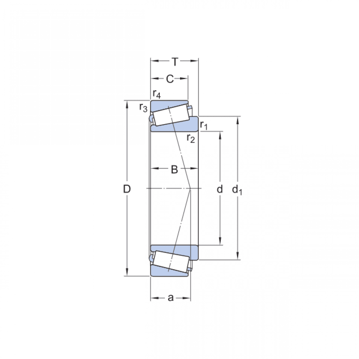
Ložisko 32214 E - ZKL

Rozmer: 70x125x33,25 Značka: ZKL
Externý sklad na dopyt
+
-
ks