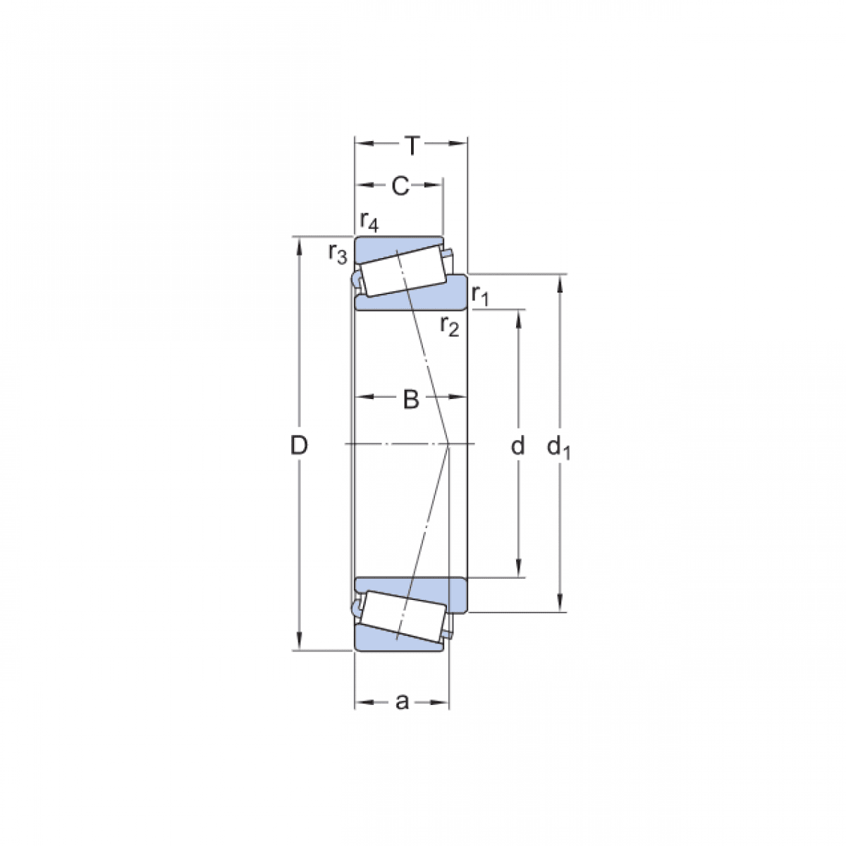
Ložisko 32214 - GPZ (7514)

Rozmer: 70x125x33,25 Značka: GPZ
Externý sklad na dopyt
+
-
ks