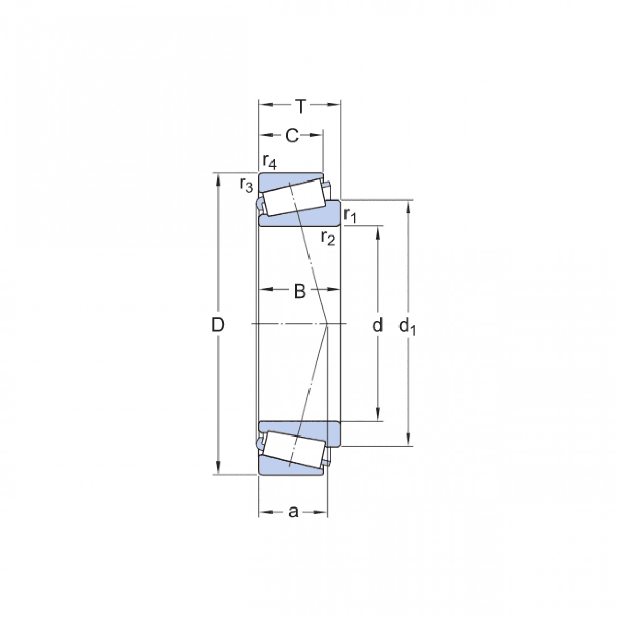
Ložisko 32214 - KBS

Rozmer: 70x125x33,25 Značka: KBS, KBC
Externý sklad na dopyt
+
-
ks