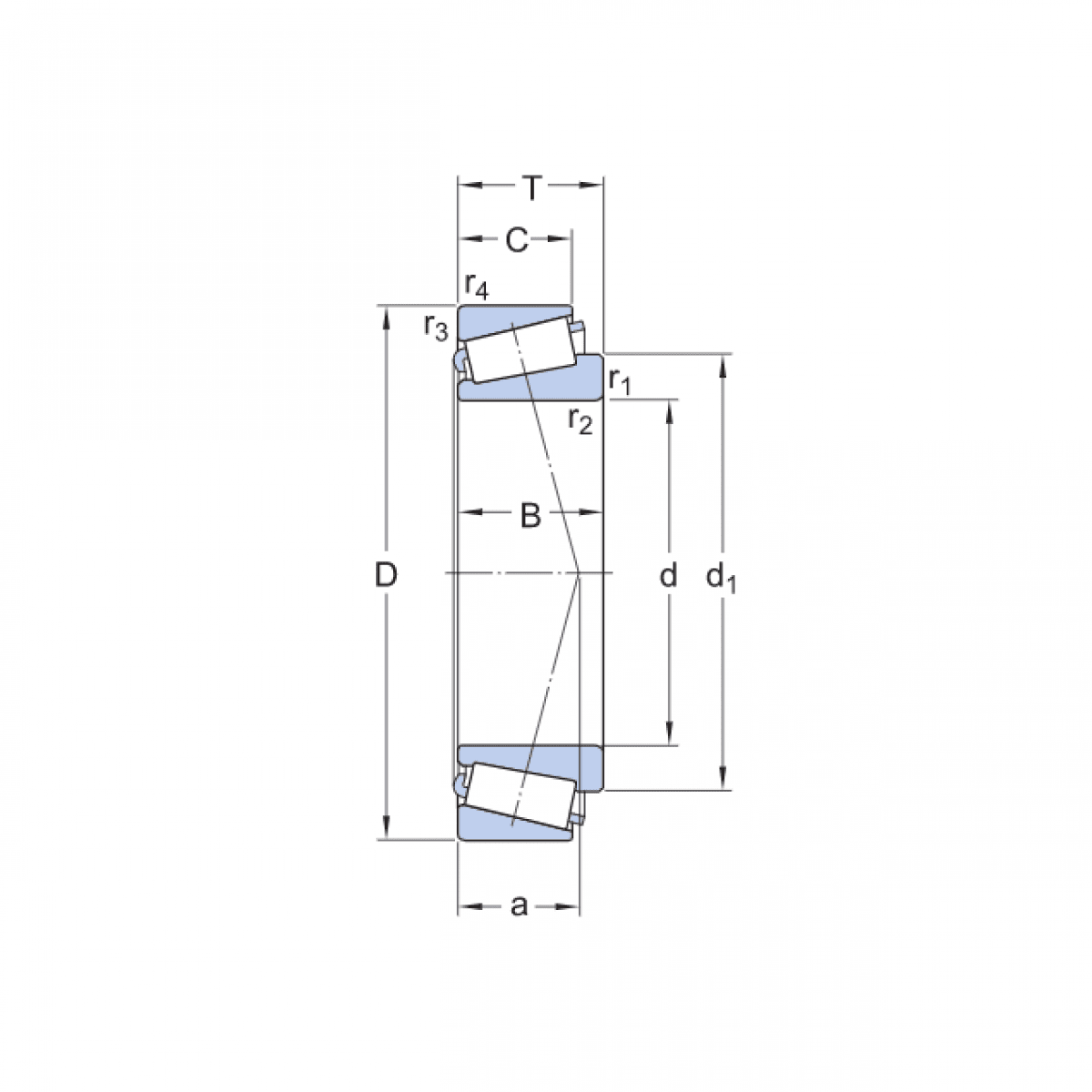
Ložisko 32214 P6 - BBC

Rozmer: 70x125x33,25 Značka: ISB, JNS
Externý sklad na dopyt
+
-
ks