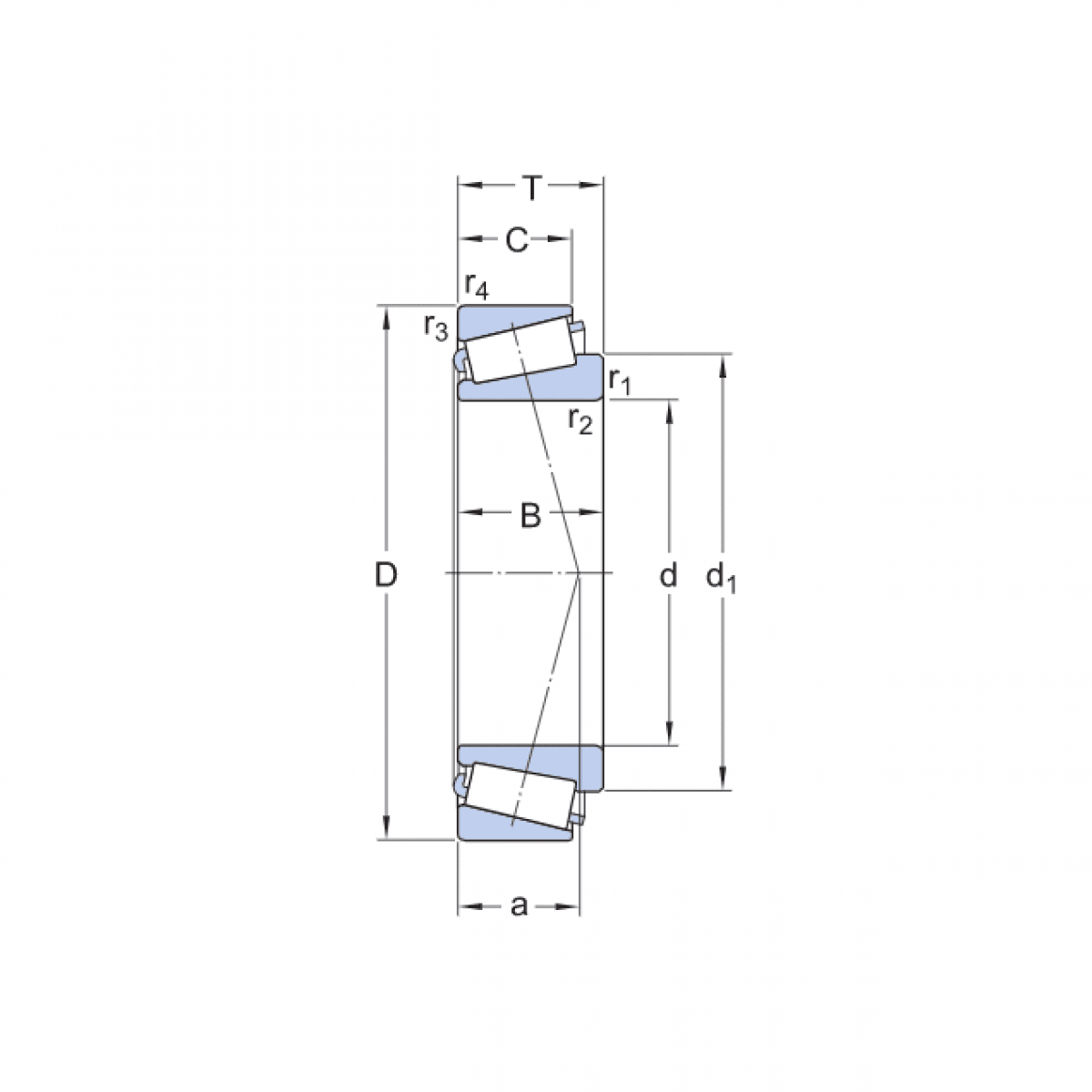
Ložisko 32215 A - CX

Rozmer: 75x130x33,25 Značka: CX
Externý sklad na dopyt
+
-
ks