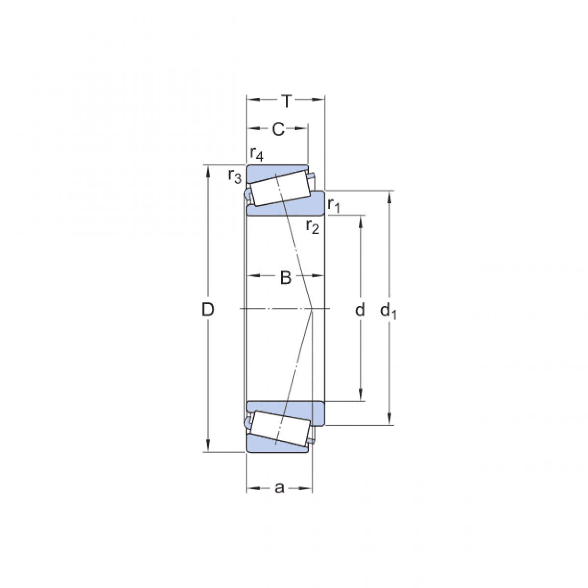
Ložisko 32215 E - ZKL

Rozmer: 75x130x33,25 Značka: ZKL
Externý sklad na dopyt
+
-
ks