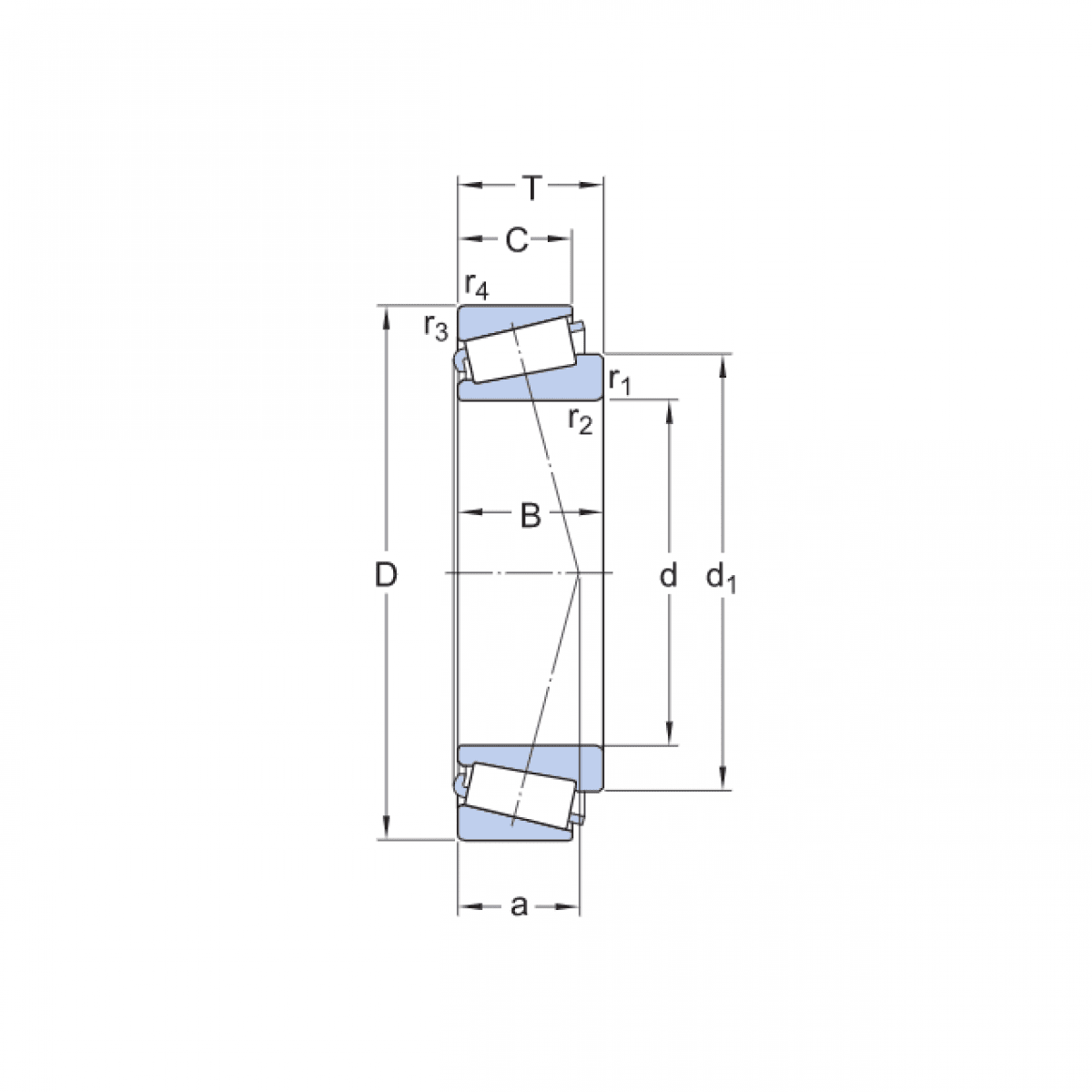
Ložisko 32215 - ISB

Rozmer: 75x130x33,25 Značka: ISB, JNS
Externý sklad na dopyt
+
-
ks