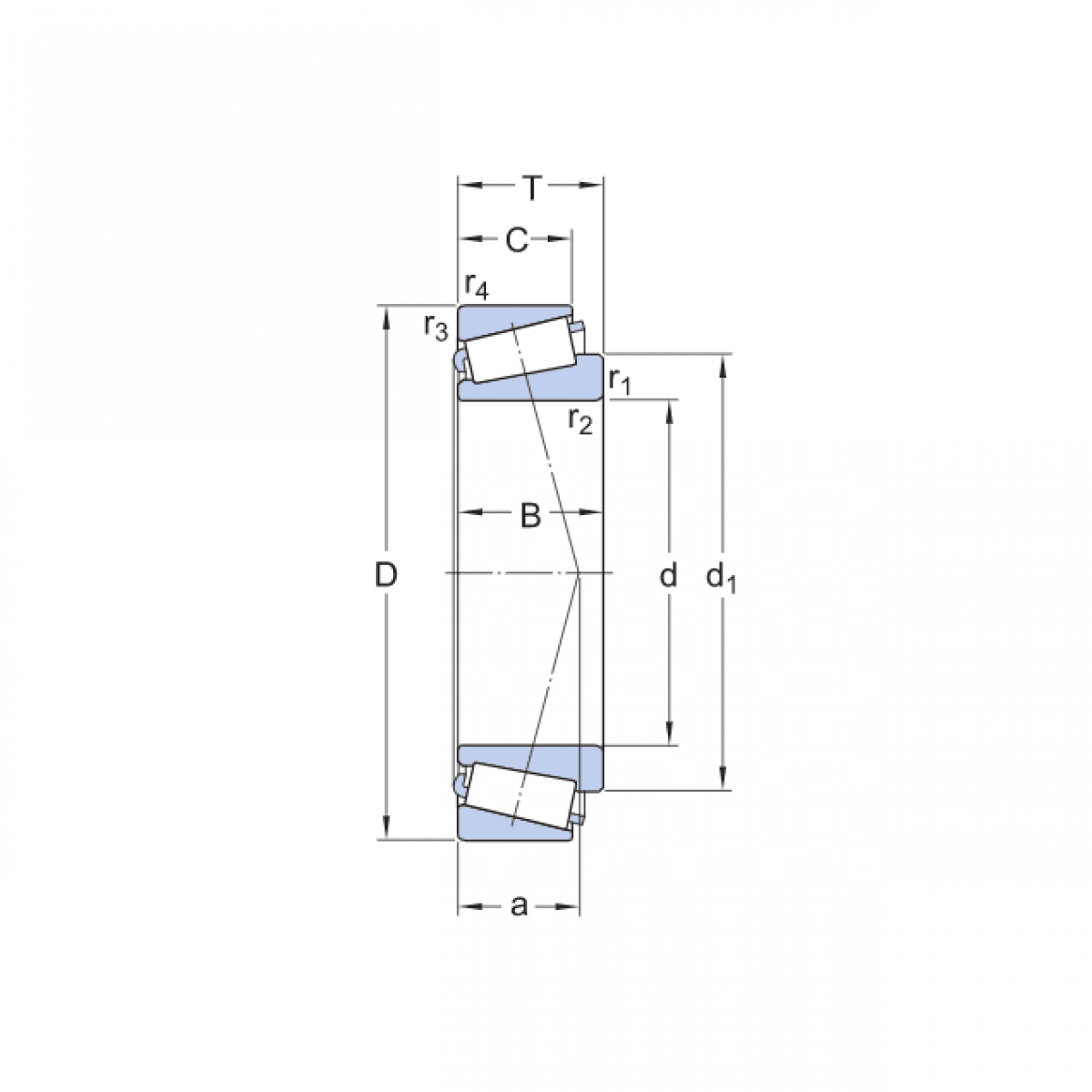
Ložisko 32215 JR - KOYO

Rozmer: 75x130x33,25 Značka: KOYO-TORRINGTON
Externý sklad na dopyt
+
-
ks