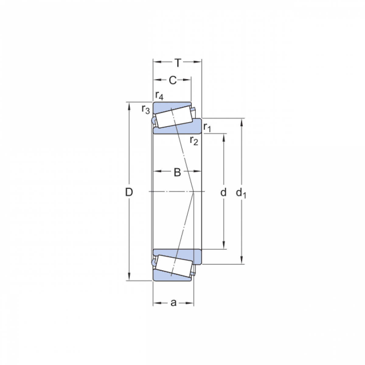
Ložisko 32215 - KBS

Rozmer: 75x130x33,25 Značka: KBS, KBC
Externý sklad na dopyt
+
-
ks