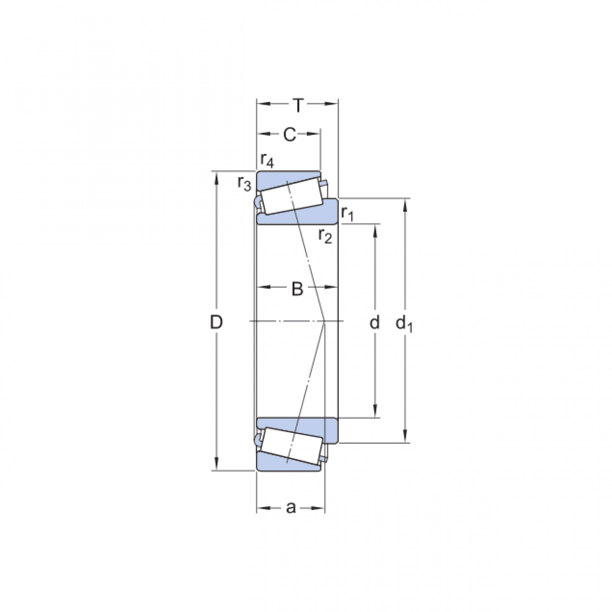
Ložisko 32216 A - URB

Rozmer: 80x140x35,25 Značka: URB
Externý sklad na dopyt
+
-
ks