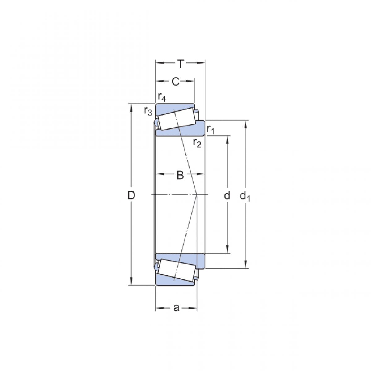
Ložisko 32216 A - ZVL-KLF, ZKL

Rozmer: 80x140x35,25 Značka: ZVL
Externý sklad na dopyt
+
-
ks