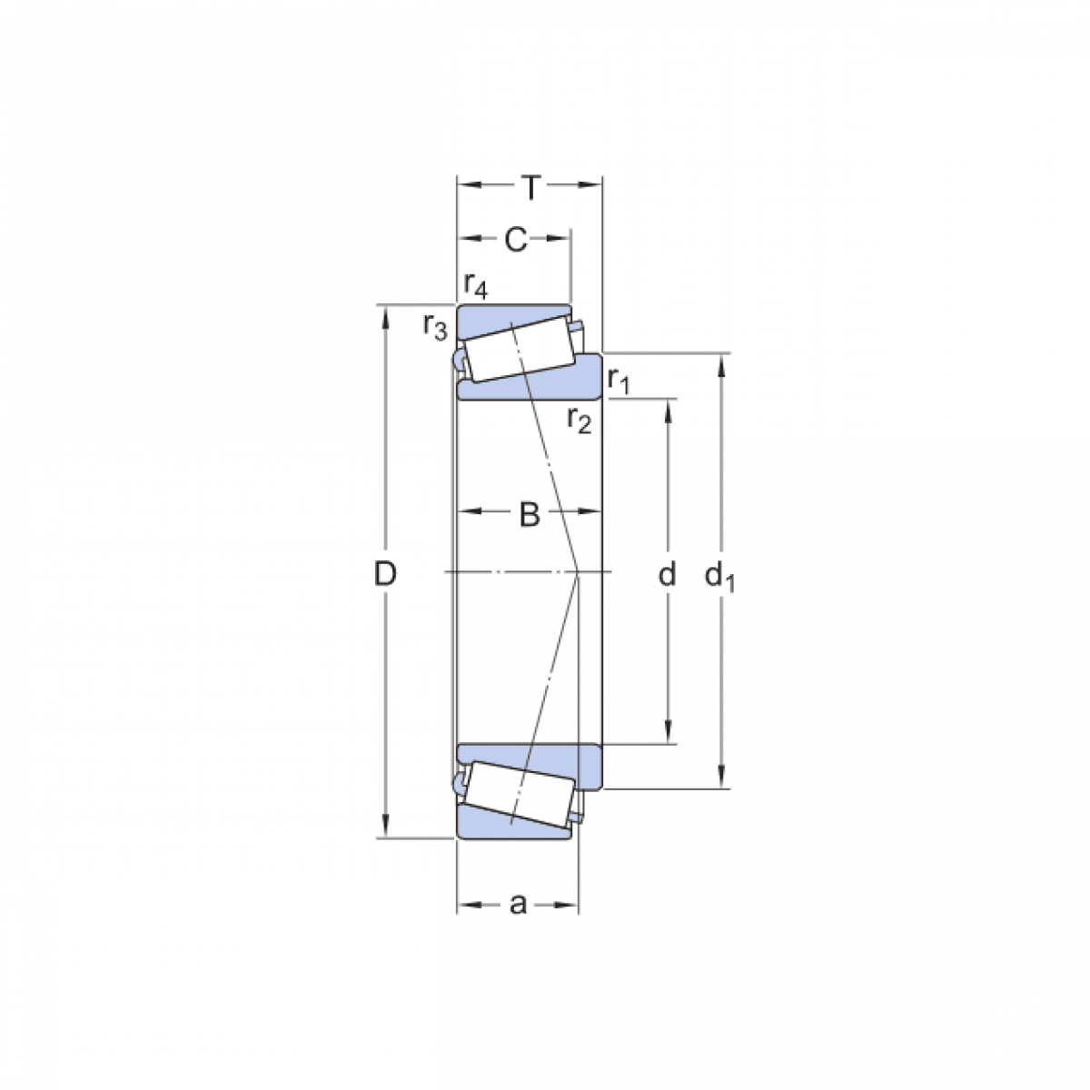
Ložisko 32216 JR - KOYO

Rozmer: 80x140x35,25 Značka: KOYO-TORRINGTON
Externý sklad na dopyt
+
-
ks