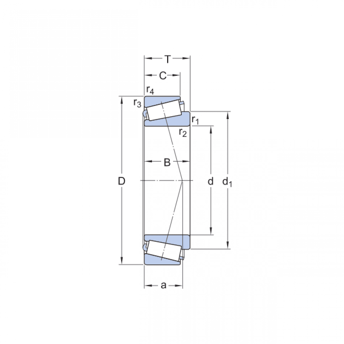
Ložisko 32216 - MTM

Rozmer: 80x140x35,25 Značka: MTM
Externý sklad na dopyt
+
-
ks