Ložisko 32216 skladom A aj E - ZKL

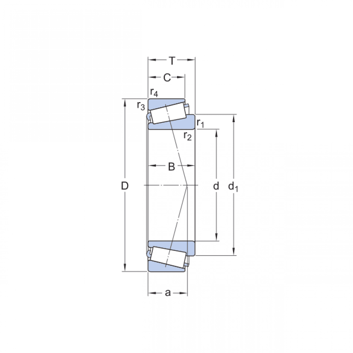
Rozmer: 80x140x35,25 Značka: ZKL
Externý sklad na dopyt
+
-
ks