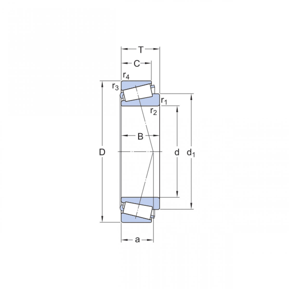
Ložisko 32217 A - ZKL NEW

Rozmer: 85x150x38,50 Značka: ZKL
Externý sklad na dopyt
+
-
ks