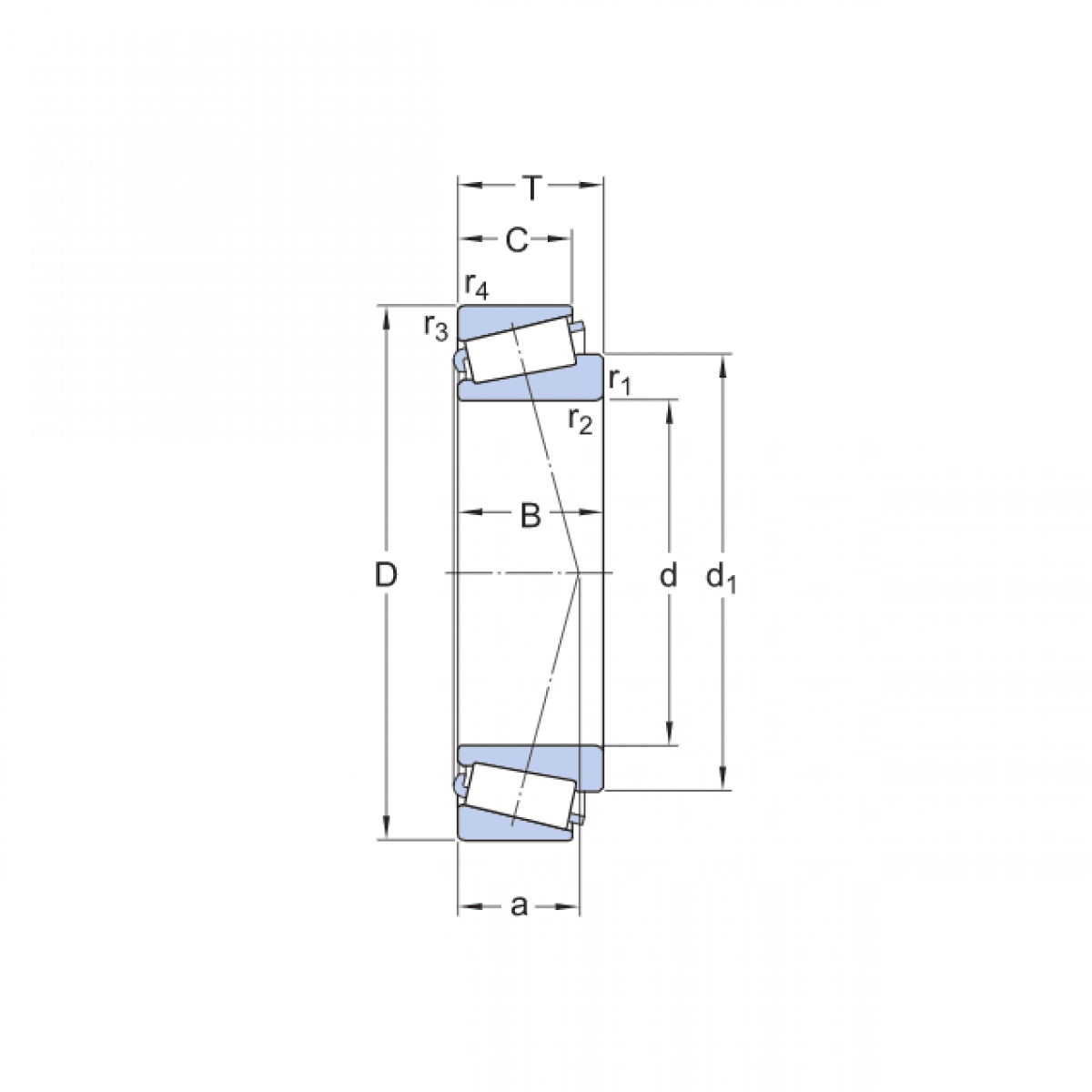
Ložisko 32217 A - ZVL-KLF

Rozmer: 85x150x38,50 Značka: ZVL
Externý sklad na dopyt
+
-
ks