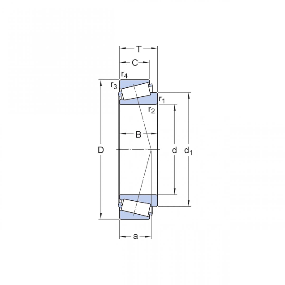
Ložisko 32217 - BBC

Rozmer: 85x150x38,50 Značka: BBC
Externý sklad na dopyt
+
-
ks