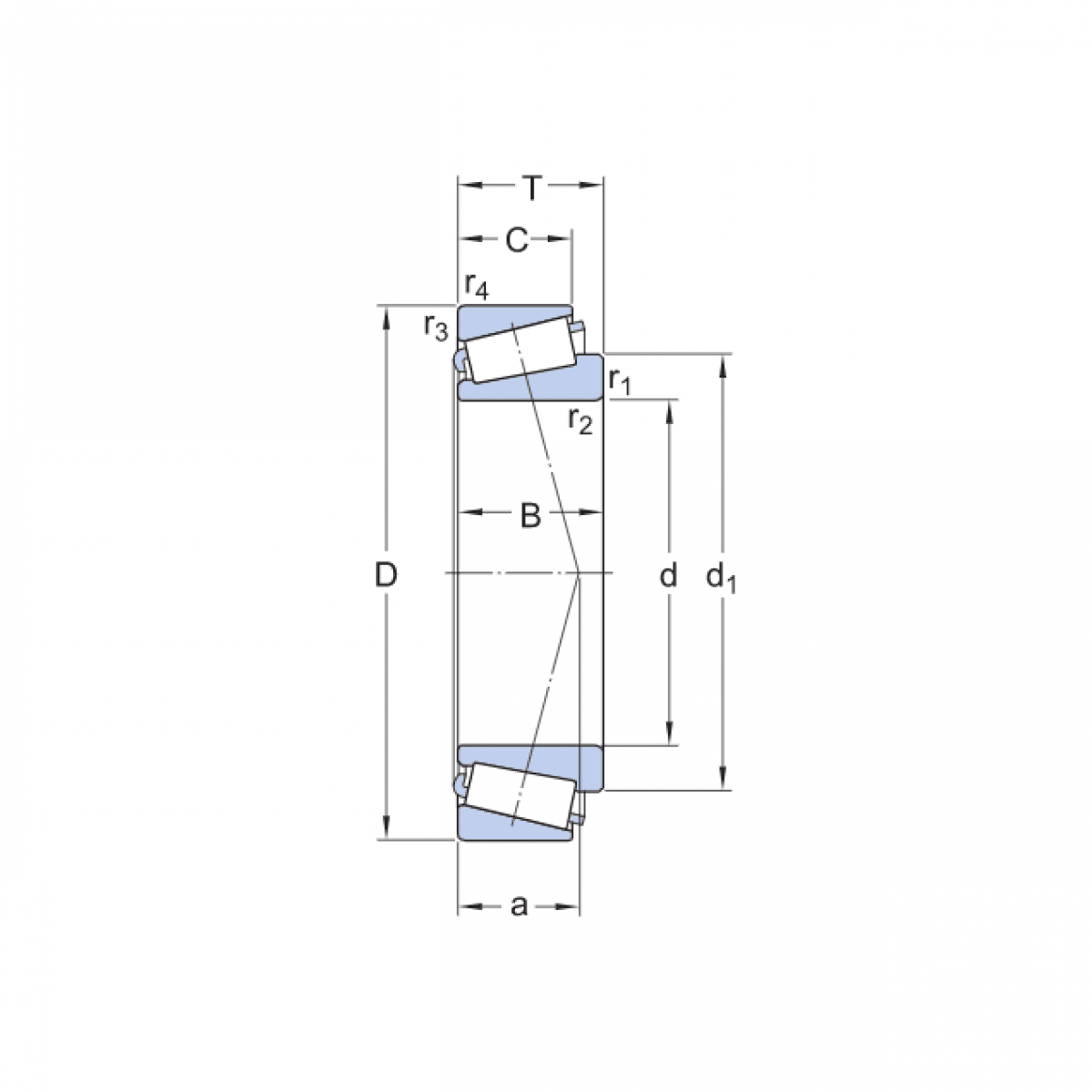
Ložisko 32217 - CX

Rozmer: 85x150x38,5 Značka: CX
Externý sklad na dopyt
+
-
ks