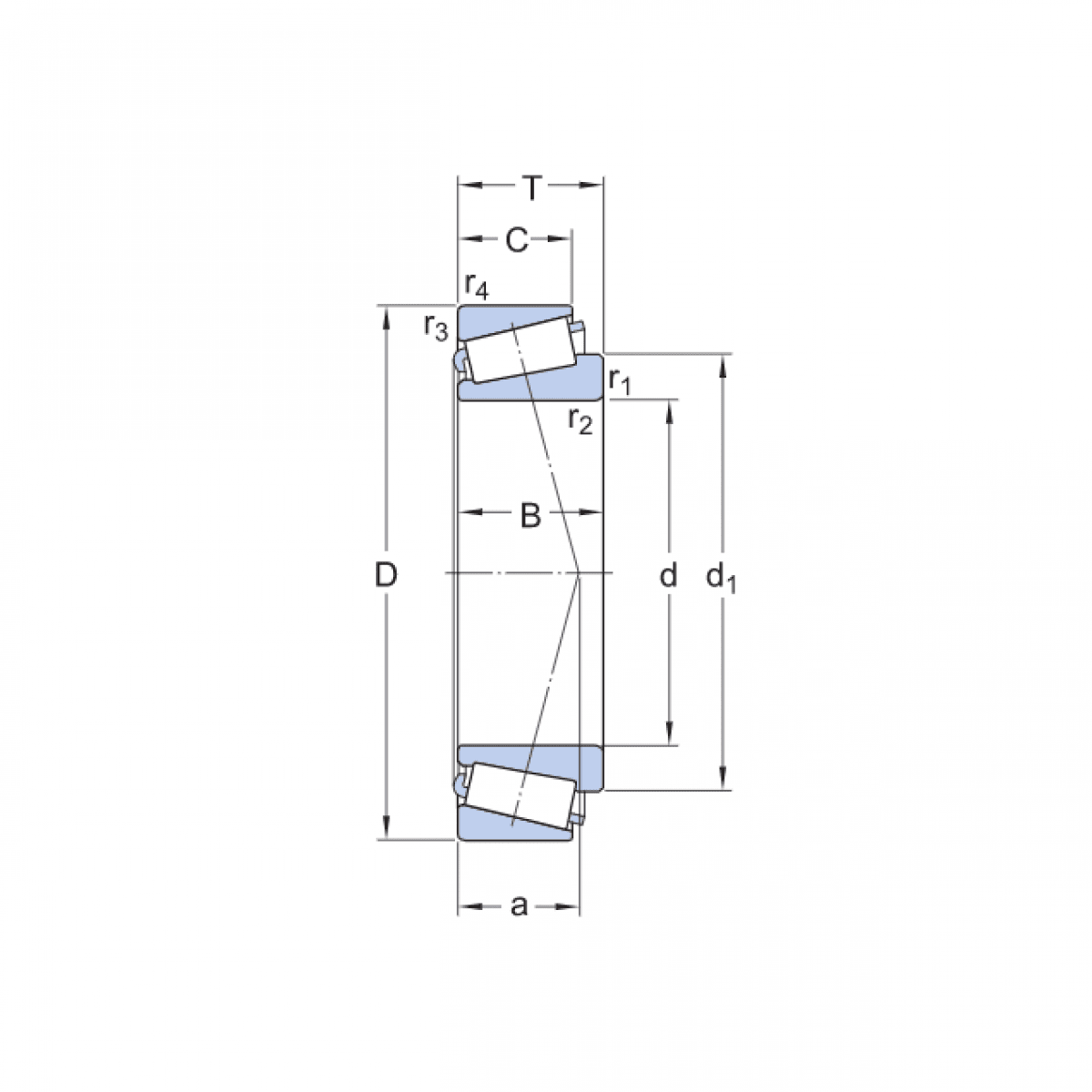
Ložisko 32218 A - MGM

Rozmer: 90x160x42,50 Značka: CHINA+OSTATNÉ
Externý sklad na dopyt
+
-
ks