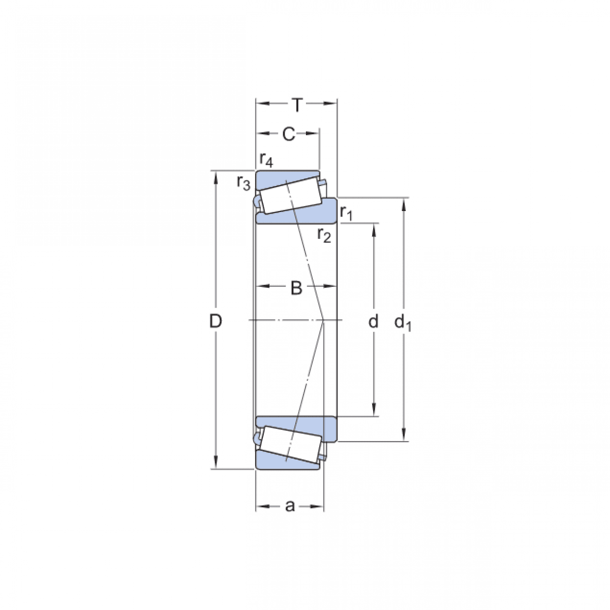
Ložisko 32218 A - ZKL

Rozmer: 90x160x42,50 Značka: ZKL
Externý sklad na dopyt
+
-
ks