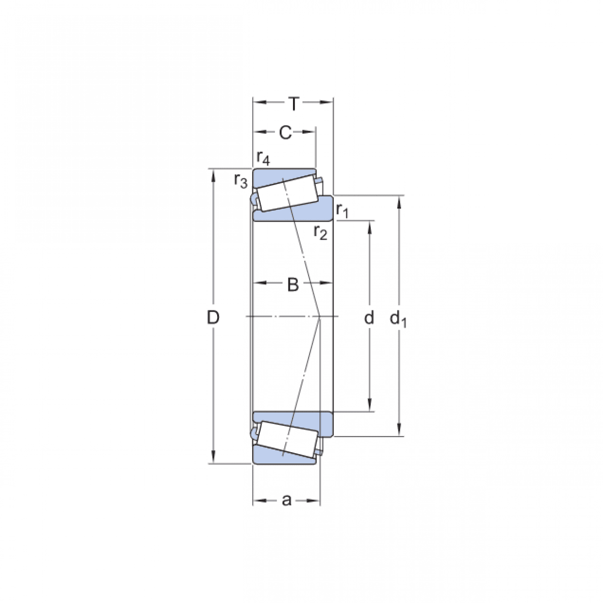
Ložisko 32218 - CX

Rozmer: 90x160x42,5 Značka: CX
Skladom 2 ks na dopyt
+
-
ks