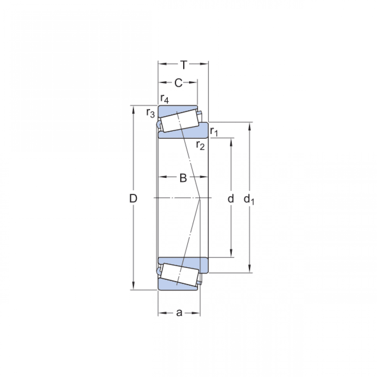
Ložisko 32218 P6 - BBC

Rozmer: 90x160x42,50 Značka: BBC
Externý sklad na dopyt
+
-
ks