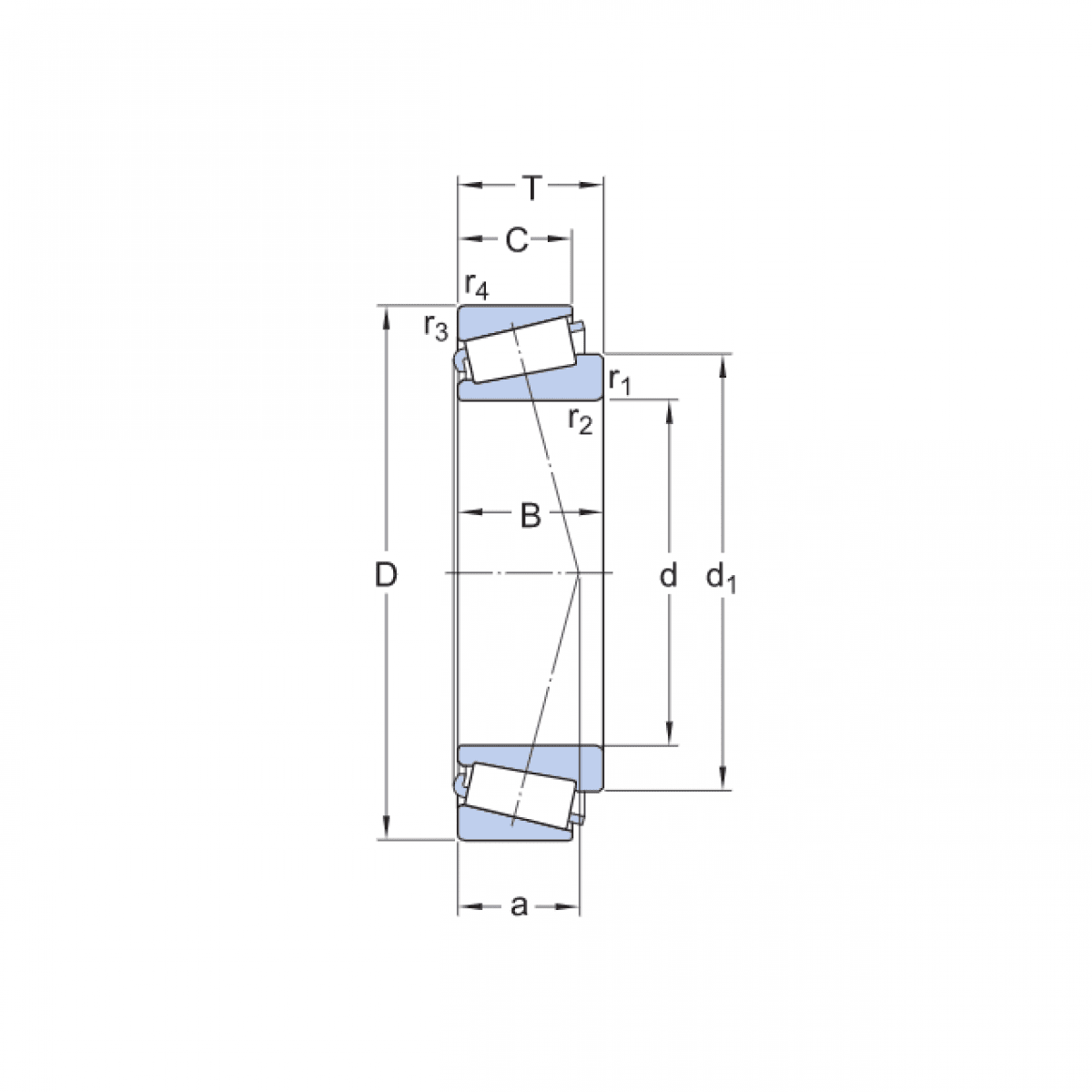
Ložisko 32219 - CX

Rozmer: 95x170x45,5 Značka: CX
Externý sklad na dopyt
+
-
ks