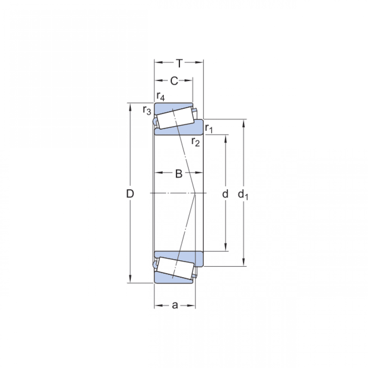
Ložisko 32219 P6 - BBC

Rozmer: 95x170x45,5 Značka: BBC
Externý sklad na dopyt
+
-
ks