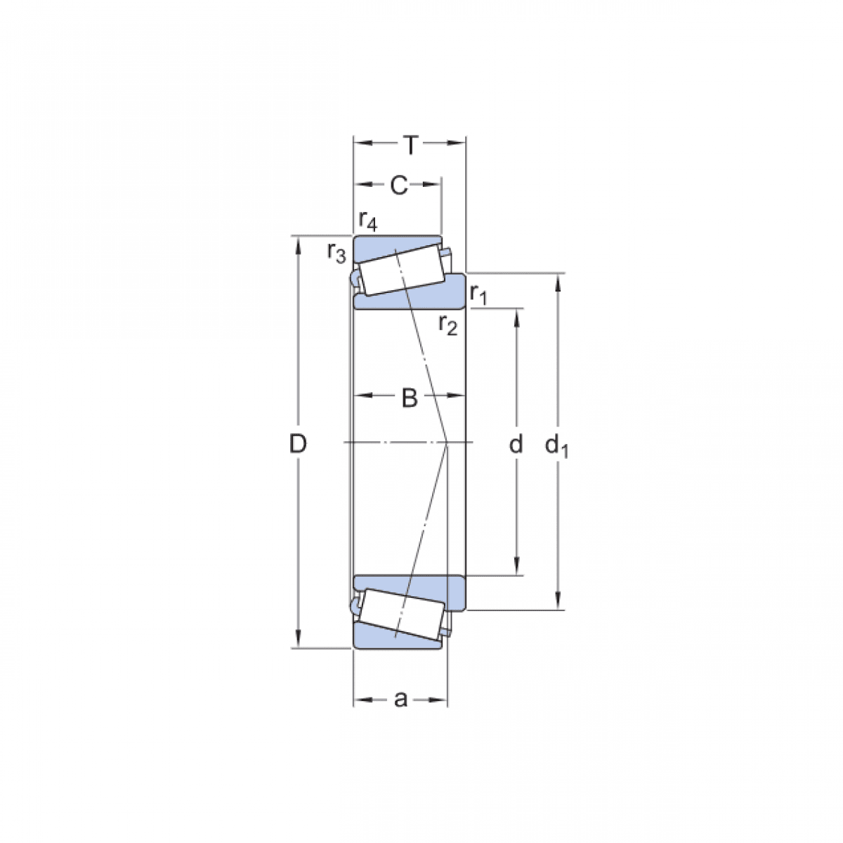
Ložisko 32221 - BBC

Rozmer: 105x190x53 Značka: BBC
Externý sklad na dopyt
+
-
ks