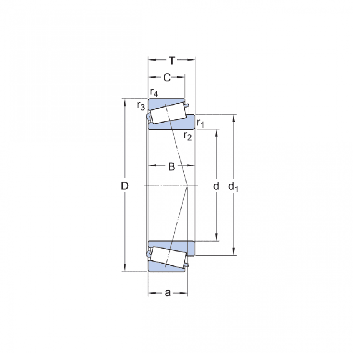
Ložisko 32221 - CX

Rozmer: 105x190x53 Značka: CX
Externý sklad na dopyt
+
-
ks