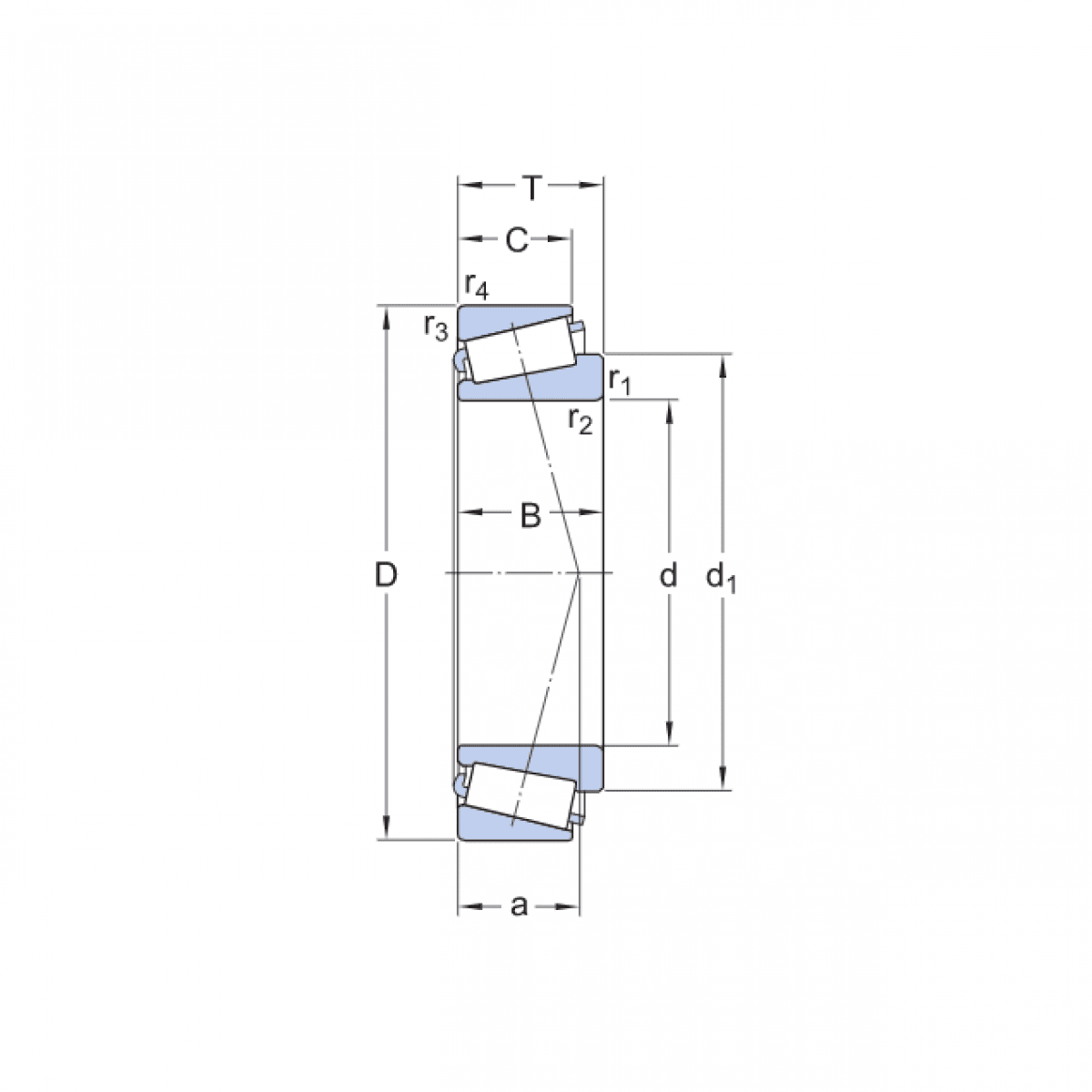
Ložisko 32221 - ISB

Rozmer: 105x190x53 Značka: ISB, JNS
Externý sklad na dopyt
+
-
ks