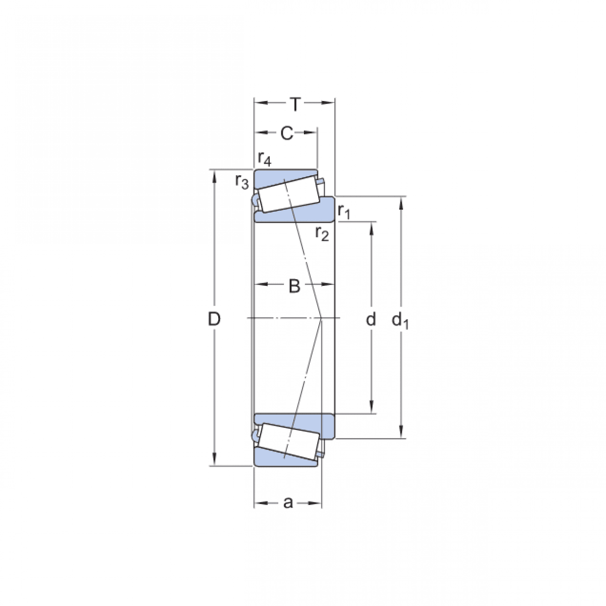
Ložisko 32221 JR - KOYO

Rozmer: 105x190x53 Značka: KOYO-TORRINGTON
Externý sklad na dopyt
+
-
ks